k8¿­·¢ÌìÉúÓ®¼Ò

²úÆ··ÖÀà

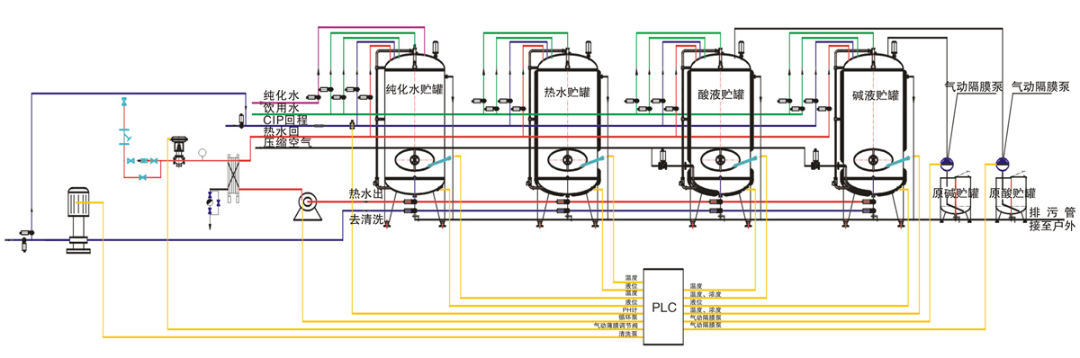
CIPÇåÏ´É豸ϵÁÐ
·µ»ØÁбí²úÆ·×Éѯ

ÓÃ;¼°ÐÔÄÜ£º

CIPÇåϴϵͳË׳ƾ͵ØÇåϴϵͳ±»¹ã·ºµÄÓÃÓÚÖÆÒ©¡¢Ê³Æ·¡¢ÒûÁÏ¡¢È鯷¡¢¹ûÖ­¡¢¹û½¬¡¢¹û½´¡¢¾ÆÀàµÈ»úе»¯Ë®Æ½½Ï¸ßµÄÉú²úÆóÒµÖС£¾ÍµØÇåÏ´¼ò³ÆCIP£¬ÓÖ³ÆÇåÏ´¶¨Î»»ò¶¨Î»ÇåÏ´£¨cleaning in place£©¡£¾ÍµØÇåÏ´ÊÇÖ¸²»±Ø²ð¿ª»òÒÆ¶¯×°Ö㬼´½ÓÄɸßΡ¢¸ßŨ¶ÈµÄÏ´¾»Òº£¬¶ÔÉ豸װÖüÓÒÔÇ¿Á¦×÷Ó㬰ÑÓëÎïÁϵĽӴ¥ÃæÏ´¾»,¶ÔÎÀÉú¼¶±ðÒªÇó½ÏÑϸñµÄÉú²úÉ豸µÄÇåÏ´¡¢¾»»¯¡£

 

ÌØµã£º

1¡¢CIPÇåϴϵͳÄܰü¹ÜÒ»¶¨µÄÇåϴЧ¹û£¬Ìá¸ß²úÆ·µÄÄþ¾²ÐÔ£»

2¡¢½ÚÔ¼²Ù×÷ʱ¼ä£¬Ìá¸ßЧÂÊ£»½ÚÔ¼ÀͶ¯Á¦£¬°ü¹Ü²Ù×÷Äþ¾²£»

3¡¢½ÚԼˮ¡¢ÕôÆûµÈÄÜÔ´£¬¼õÉÙÏ´µÓ¼ÁÓÃÁ¿£»

4¡¢Éú²úÉ豸¿ÉʵÏÖ´óÐÍ»¯£¬×Ô¶¯»¯Ë®Æ½¸ß£»

5¡¢ÑÓÓÀÉú²úÉ豸µÄʹÓÃÊÙÃü¡£

6¡¢È«×Ô¶¯CIPÇåϴϵͳ£¬ÄܶÔÇåÏ´Òº½øÐÐ×Ô¶¯¼ì²â.¼ÓÒº.ÅÅ·Å.ÏÔʾÓëµ÷½â£¬¶ÔÆäÔËÐпɿ¿£¬×Ô¶¯»¯Ë®Æ½¸ß£¬²Ù×÷¼òµ¥£¬ÇåϴЧ¹ûºÃ£¬Òò¶ø¸üÇкÏÏÖ´ú´ó¹æÄ£Á÷ÌåÒ©Æ·¡¢Ê³Æ·¼Ó¹¤¹¤ÒÕµÄÎÀÉúÒªÇó¼°Éú²úÇé¿öÒªÇó¡£

 

CIPÇåϴϵͳµÄ×é³É£º

ÇåË®¹Þ¡¢ÈÈË®¹Þ¡¢ËáÒº¹Þ¡¢¼îÒº¹Þ¡¢Ô­Ëá¹Þ¡¢Ô­¼î¹Þ¡¢°åʽ»»ÈÈÆ÷¡¢ÇåÏ´±Ã¡¢Ñ­»·±Ã¡¢¹ýÂËÆ÷¡¢Æø¶¯¸ôĤ±Ã¡¢Ëá/¼îŨ¶È¼Æ¡¢PH¼Æ¡¢ÏµÍ³Á¬½Ó¹Ü·ºÍµçÆø¿ØÖÆÏµÍ³¡£

 

ÖÖÀࣺ·ÖΪÊÖ¶¯ÐÍ¡¢°ë×Ô¶¯ÐͺÍ×Ô¶¯ÐÍ

 

¹æ¸ñÐͺż°Ö÷Òª¼¼Êõ²ÎÊý

²ÎÊý/¹æ¸ñÐͺŠCIP500 CIP1000 CIP1000 CIP10000
Ô­Ëá¹ÞÈÝ»ý (L) 50 80 100 200
Ô­¼î¹ÞÈÝ»ý (L) 50 80 100 200
ËáÒº¹ÞÈÝ»ý (L) 500 1000 2000 10000
¼îÒº¹ÞÈÝ»ý (L) 500 1000 2000 10000
ÈÈË®¹ÞÈÝ»ý (L) 500 1000 2000 10000
ÇåË®¹ÞÈÝ»ý (L) 500 1000 2000 10000
Ñ­»·±Ã (T/h) 1.5 3.0 5.0 20.0
ÇåÏ´±Ã (T/h) 3.0 5.0 10.0 20.0
»»ÈÈÆ÷ (m2) 3.0 5.0 7.0 15.0

ÒÔÉÏÐͺŽö¹©²Î¿¼£¬¿É°´Óû§ÒªÇó½øÐÐ·Ç±ê¶¨ÖÆ

 

k8¿­·¢(Öйú)ÌìÉúÓ®¼Ò¡¤Ò»´¥¼´·¢

ÏúÊÛÈÈÏß

0577-8692-2388

´«Õ棺0577-86922389

ÓÊÏ䣺sales@wenxiong.com

µØµã£ºÕã½­Ê¡ÎÂÖÝÊÐÓÀÇ¿¸ßм¼Êõ¹¤ÒµÔ°Çø

Copyright?k8¿­·¢ÌìÉúÓ®¼Ò All Rights Reserved. ÕãICP±¸11035023ºÅ Áª¿Æ¿Æ¼¼
¼¼ÊõÖ§³Ö£ºÁª¿Æ¿Æ¼¼

ÍøÕ¾µØÍ¼